Categories
- All PRODUCTS
- DALI-2 & PUSH Dimmable LED Driver
- Slim size Constant Current LED Driver
- DMX512 Dimmable LED Driver
- 0-10V Dimmable LED Driver
- Non-Dimmable LED Driver
- Triac/ELV Dim LED Electronic Transformer
- Triac Dimmable LED Driver
- DALI Dimmable LED Driver
- 5 in 1 Dimmable LED Driver
- Wall-Mounted & Desktop Power Adapter
- Wireless Dimmable LED Driver
- Multi-Output Current LED Driver
- SMARTS Dimmer
- Contact Us
Top Sellers
Contact Us
Email: sales1@smartselectronics.com
Whatsapp : 0086-13489577737
Tel : 0086-13489577737
Skype : steven821228
CE 5 in 1 Dim Multi-Current Driver 10W (DIP Adjustment)


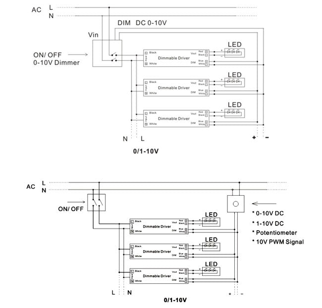
※Input terminals "Black" and "White" to connect to AC L and N.
※Output LED SEC output Positive (LED+) , output negative(LED-). Connected to LED light.
※Output terminals DIM (+) to 0/1-10V dimmer signal(+ ),DIM (-) white connect to 0/1-10V dimmer signal (-)
※Please DO NOT connect “DIM-“ to “LED-“, “DIM+” to “ LED+” ,or other incorrect connection.
Note: Please make sure you connect these correctly otherwise your product will not function correctly and could be damaged
■ Dimming Operation and Connecting Diagram
Using TRIAC/Phase cut dimming
1.The Pulse-Width Modulation (PWM) of output voltage can be adjusted through input terminal of the AC phase line(L) by connection a phase /Triac dimmer of lighting system.
2.Work with forward phase /leading edge ,MLV and reverse phase /trailing edge ,ELV,TRIAC dimmers.
3.Please try to use dimmers with power at least 1.5 times as the output power of the driver.

